Tuotteet

Tuotteet

Pto -akseli
  • Pto -akseliPto -akseli
  • Pto -akseliPto -akseli
  • Pto -akseliPto -akseli

Pto -akseli

FastMa® on PTO -akselien valmistaja ja toimittaja Kiinassa. Olemme sitoutuneet tarjoamaan asiakkaillemme paitsi korkealaatuisia tuotteita, myös erinomaista myynnin jälkeistä palvelua. Valitse traktorin varaosamme ja erityyppiset maatalouskoneet ja hanki luotettava kumppani.

Sovellukset

PTO -ohjaamia akseleita käytetään laajasti erilaisten maatalouskoneen, mukaan lukien paalaimpien, maatalouskoneet, maatalouden leikkaamiset, voimanhaarat, kiertolaitokset, jne.

Suurin osa maatalouslaitteista vaatii jonkinlaisen virranoppumuodon (PTO) järjestelmän perävaunun moottorin pyörimisenergian muuttamiseksi maatilan toteuttamiseksi. Seurauksena on, että PTO -käyttöakselista on tullut paitsi avainkomponentti nykyaikaisissa maatalousoperaatioissa, myös yleisimmän energiansiirtoratkaisun. Itse asiassa sen standardoitu muotoilu ja korkea hyötysuhde tekevät siitä välttämättömän komponentin maailmanlaajuisella maatalousalalla.

PTO Drive Shaft

Rakenne

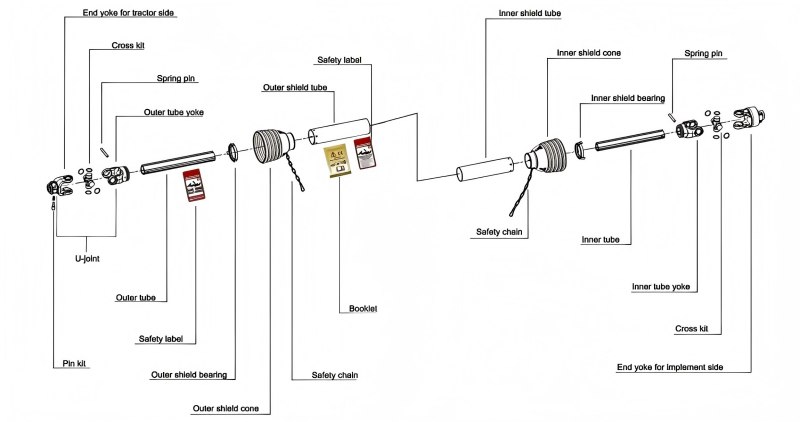
PTO -käyttöakseli toimii kiertämällä traktorimoottoria suurella nopeudella. PTO -akseli koostuu teleskooppisesta putkesta, yleisestä nivelistä ja ikäryhmästä. Sitä suojataan yleensä muovisuojuksella ja ketjulla.

PTO -akseli siirtää traktorimoottorin energian hydraulipumppuun, joka ohjaa öljyä ja tarjoaa voiman toteuttamiselle. PTO -akselit ovat tehokkaampia suuremmissa traktoreissa.

PTO Drive Shaft

Hallitsevuus

PTO -käyttöakselimme on taottu korkean lujuusseosteräksestä ja suoritetaan erityinen lämmönkäsittelyprosessi pitkäaikaisen vakaan toiminnan aikaansaamiseksi korkean intensiteetin käyttöolosuhteissa. Universal-nivelen innovatiivinen suunnittelu ottaa kaksinkertaisen suljetun rakenteen, joka ei vain voi tehokkaasti eristää pölyä, mutaa ja vettä ja muita epäpuhtauksia, vaan myös pidentää voitelujakson kaksinkertaisesti samankaltaisten tuotteiden määrään, mikä vähentää merkittävästi ylläpidon taajuutta. Yhdistämisosassa yksinoikeudellinen loosenssipulttijärjestelmämme useiden lukitusmekanismien kautta parantaa luotettavuutta perinteiseen pulttiyhteyteen verrattuna, poistaen kokonaan värähtelyn aiheuttaman löysäämisen vaaran. Lisäksi akseliputken pinta käyttää nanopäällystystekniikkaa, jolla on erinomainen RUST-suorituskyky ja joka voi ylläpitää hyvää käyttötilaa jopa ankarissa ympäristöissä, kuten korkea kosteus ja korkea suolapitoisuus, ja sen käyttöikä ylittää huomattavasti alan keskimääräisen tason.

Hot Tags: Pto -akseli
Lähetä kysely
Yhteystiedot
Jätä meille sähköpostiosoitteesi, jotta saadaan tiedusteluja maataloustraktorista, maanpinta -alasta, maatalousruurasta tai hinnastosta ja hinnastolistasta ja olemme yhteydessä 24 tunnin sisällä.

FASTMA®
FASTMA®

FASTMA®
FASTMA®

X
We use cookies to offer you a better browsing experience, analyze site traffic and personalize content. By using this site, you agree to our use of cookies. Privacy Policy
Reject Accept